同惠 TH511半導體功率器件CV特性解決方案
2023-12-25
一、半導體功率器件CV特性測試痛點
1、進口設備
進口設備功能全、一體化集成度高、測試準確,但是有如下缺點:
價格昂貴,動則幾十萬甚至上百萬的價格,一般企業很難承受。
操作繁瑣,集成了太多功能加上大多英文化的操作界面,對于用戶操作并不友好。
測試效率低,一臺設備可能完成動態特性、靜態特性的全部測試,但是接線復雜操作難度大,測試結果用時較長,測試效率無法保障。
2、 國產設備
在進口設備無法滿足用戶測試需求的情況下,國產設備應運而生,以相對功能單一、操作方便、價格低廉快速占領了一部分市場,但是,這些設備同樣也有如下缺點:
測試效率低,一臺設備可能完成動態特性、靜態特性的全部測試,但是接線復雜、操作難度大,測試結果用時較長,測試效率無法保障。漏源電壓VDS過低,大多最高只能達到1200V左右,已無法滿足第三代半導體功率器件測試需求。
測試效率低,同樣由于組合儀器過多,加上需用工控機或PLC控制過多儀器,導致測試單個器件時間過長.
擴展性差,由于設備過多,各種儀器不同的編程協議,很難開放第三方接入以集成至客戶產線自動化測試整體方案中。
二、同惠半導體功率器件CV特性解決方案
1、進口設備單管MOSFET、IGBT測試解決方案
單管器件或者多個單管器件測試相對簡單,同惠TH510系列半導體C-V特性分析儀即可滿足基本測試要求。



2、多個MOSFET、IGBT測試解決方案
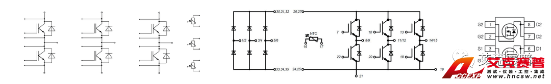
多芯器件、模組器件由于內部集成多個MOSFET、IGBT芯片,而且內部電路比較復雜,因此,測試相對復雜。

實物圖

等效電路圖(部分)
由上圖可見,部分多芯器件、模組器件由于腳位眾多、核心多、有貼片封裝、異形封裝等,如果用單機去測試,接線都 很困難,而要完成整顆器件測試更是難上加難。因此,同惠為此開發了針對模組式器件的測試系統。
1. 系統結構
整套系統基于TH510系列半導體CV特性分析儀,加上定制工裝、上位機軟件等組成了一套完整的測試、數據分析系統。

2.上位機軟件
測試軟件采用同惠測試系統通用框架,根據不同產品或不同需求會有相應更改


3. 整套測試系統配置清單

三、應用場景和參數特點
1、應用場景—產線自動化測試
針對產線自動化測試,提供了2米延長線便于客戶自己改裝自動化產線工裝改裝,儀器出廠前已校準好2米線測試數據,保證只要按標準要求改裝,不會損失測試精度。
儀器已標配了HANDLER接口,可自行編程每個信號線的輸入輸出電平及信號特征,便于與自動化產線進行I/O信號交互。
儀器內置了SCPI、MODBUS標準編程指令協議,用戶可自行編程集成到產線自動化測試系統中,同惠也提供標準化上位機軟件或定制特殊需求的上位機軟件。
優勢如下:
提供2米擴展延長線
測試精度高
測試速度快,測試效率高
標配HANDLER接口
操作簡單方便
功能可定制化
02 應用場景—實驗室、產線工作臺
對于實驗室、產線工作臺應用,一臺單機即可完成全部測試,提供了標準化直插治具,對于直插式MOSFET或IGBT器件,直接插入治具即可進行測試;同時可以測試最多6個單個器件。
優勢如下:
體積小,便于集成
精度高
測試速度快,測試效率高
性價比高,比國產系統更便宜
操作簡單方便
功能可定制化
3、基本參數

4、特點

最新資訊
提交您的需求,我們將盡快與您聯系
完善您的信息,艾克賽普專業團隊為您提供服務!
請選擇您要填寫的表單類型 *
獲取產品報價
獲取方案詳情
申請技術服務
公司名稱 *
姓名 *
手機號 *
郵箱
需求描述 *
驗證碼 *